歡迎訪問北京中天恒遠環保設備有限公司官網!
咨詢熱線:010-8022-5898 手機:18610094262
-
飲用水消毒過程研究 2018-01-24 [行業資訊] 熱度:169

氯消毒應用于飲用水消毒處理已有100多年的歷史,是目前飲用水廠最常見的消毒技術. 然而自從20世紀70年代Rook首先發現飲用水氯消毒后有副產物三鹵甲烷(THMs)生成,多種DBPs陸續被檢出,例如鹵乙酸、 鹵乙腈、 鹵代醛...
-
高效的污水取樣裝置 2018-01-24 [行業資訊] 熱度:262

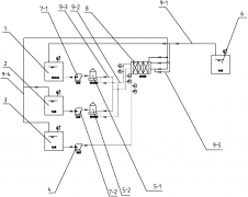
本發明涉及一種污水取樣裝置,包括取樣器以及瞄準裝置;所述取樣器包括上機械室以及下集液室;上機械室沿其內壁四周均勻設置有若干個伸縮驅動室;所述伸縮驅動室遠離上機械室一側設置伸縮桿;所述伸縮桿穿入伸縮驅動室與...
-
水葫蘆打撈及處理工藝 2018-01-24 [公司動態] 熱度:468

本發明提供了水葫蘆打撈及處理工藝,利用水葫蘆打撈船從水面收集水葫蘆,存放于水葫蘆打撈船的收集倉,用水葫蘆提升輸送裝置將收集倉內的水葫蘆提升至水葫蘆提升輸送裝置較高的一端,并落入網兜內,然后把裝滿水葫蘆...
-
電滲析法回用高鹽廢水裝置 2018-01-24 [公司動態] 熱度:587

本實用新型涉及一種電滲析法回用高鹽廢水裝置,包括高鹽水水池,高鹽水水池通過第一管路連接淡水箱,高鹽水水池通過管路連接精密過濾器A,精密過濾器A通過第三管路連接精密過濾器B,精密過濾器B通過管路連接濃水箱;...
-
磷化廢水處理工藝 2018-01-24 [公司動態] 熱度:262

一、磷化廢水的主要特征: 磷化廢水中除含有大量的磷酸鹽、鋅離子、酸堿物質及有機物外,根據生產工藝不同,有時還含有一定量的鎳離子、銅離子或鉛離子等重金屬和表面活性劑等污染物,成分復雜,處理難度較大。目前,...
-
高濃度鄰苯二甲酸二甲酯廢水如何處理 2018-01-24 [公司動態] 熱度:400

摘要:Cu2+可以與H2O2發生類Fenton反應,用Fenton法處理同時含有難降解有機物和Cu2+的工業廢水時,Cu2+對于Fenton氧化難降解有機物的反應具有促進作用。本實驗在高濃度鄰苯二甲酸二甲酯(DMP)和Cu2+組成的模擬工業廢...
-
污水檢測 2018-01-24 [公司動態] 熱度:535

水質監測就是水體質量檢測。而水體不僅包括水,而且還包括水中共存的懸浮物、底質和水生生物等。因此,水質監測及評價應該包括水相(水、水溶液)、固相(懸浮物、底質)和生物相,才能得出全面、正確的結論。 一、 水質...
-
污水智能監測系統 2018-01-24 [公司動態] 熱度:338

本發明提供了一種污水智能監測系統,包括無線傳感器網絡污水監測模塊、通信模塊和污水監測中心;所述的無線傳感器網絡污水監測模塊用于基于無線傳感器網絡采集污水參數,并將污水參數通過通信模塊傳送至污水監測中心...
-
2018-01-23 [技術新聞] 熱度:259

連江縣琯頭鎮粗蘆島污水處理廠于2016年建設,福建連江縣琯頭鎮粗蘆島污水處理廠采用較為先進的污水處理工藝好氧生物處理, 其設計規模為2萬立方米/日, 先期日處理規模達到1萬立方米/日,項目投資近3883.9萬元,連江...
-
中小河道清淤及淤泥處理技術 2018-01-23 [技術新聞] 熱度:277

我國中小河道淤積現象比較普遍,河道原有的調蓄洪水和防災減災的能力有所減弱。近幾年國家加強了中小河道和農村河道的治理力度,其中清淤工程作為主要措施被廣泛實施。以江蘇省為例,在20032014 年期間,已投資超過4...
-
江蘇省常州英田汽車有限公司新能源汽車技術改造項目污水處理系統 2018-01-23 [技術新聞] 熱度:209

招標人名稱:常州英田汽車有限公司 招標代理機構全稱:中國遠東國際招標公司 招標代理機構地址:北京市朝陽區和平街東土城路甲9號 招標代理機構聯系方式:64204344/64291720 招標項目名稱:常州英田汽車有限公司新能...
-
黑龍江哈爾濱市賓西經濟開發區污水治理工程 2018-01-23 [技術新聞] 熱度:238

項目名稱:哈爾濱市賓西經濟開發區污水治理工程 所在地區:黑龍江 投資總額:13023.40萬元 進展描述:環評階段 項目概況工程內容:污水廠擴建規模為1.0萬噸/日,擴建后總規模2.0萬噸/日,出水由原《城鎮污水處理廠污...
-
殼聚糖處理廢水 2018-01-23 [技術新聞] 熱度:318

在常規水處理系統中,使用最廣泛的絮凝劑是鋁鹽和鐵鹽,在已處理過的水中殘留的鋁鹽會危害人體健康,殘留的鐵鹽會影響水的色度等;在大多數廢水處理中,難以克服污泥產生量大、污泥難以處置等二次污染問題。因此,尋...
-
福建福州市祥坂污水處理廠提標改造工程(施工)招標公告 2018-01-23 [技術新聞] 熱度:294

1. 招標條件 福州市祥坂污水處理廠提標改造工程(施工)已由州市鼓樓區發展和改革局以鼓發改基〔2017〕42號文件批準建設,建設單位為福建海峽環保集團股份有限公司,建設資金來源企業自籌,本次招標內容為:福州市祥坂...
-
福建福州市祥板污水處理廠除臭工程答疑公告 2018-01-23 [技術新聞] 熱度:296

福州市祥坂污水處理有限公司委托我公司招標代理的答疑紀要如下,招標文件與本紀要不一致的以本紀要為準。 1、問:招標文件第35頁要求填料料的體積比表面積應不低于350M2/M3,因招標文件要求的填料比表面積為350M2/M3...
- 首頁
- 上一頁
- 532
- 533
- 534
- 535
- 536
- 537
- 538
- 539
- 540
- 541
- 542
- 下一頁
- 末頁
- 共 644頁9646條
服務地區:北京;天津;上海;重慶;河北;河南;云南;遼寧;黑龍江;湖南;安徽;山東;江蘇;浙江;江西;湖北;廣西;甘肅;山西;陜西;吉林;福建;貴州;廣東;青海;四川;寧夏;海南
服務地區:哈爾濱;長春;沈陽;南京;濟南;合肥;石家莊;鄭州;武漢;長沙;南昌;西安;太原;成都;西寧;?;廣州;貴陽;杭州;福州;臺北;蘭州;昆明;銀川;烏魯木齊;拉薩;南寧
補充分類:電廠;工業;游泳池;系統;工程;工程師;藥劑;過濾器;絮凝劑;公司;廠家;生產廠家;