歡迎訪問北京中天恒遠環保設備有限公司官網!
咨詢熱線:010-8022-5898 手機:18610094262
-
工業含油廢水物理化學法(圖) 2018-04-02 [污水處理] 熱度:246

今天為廣大朋友介紹的是 工業含油廢水物理化學法 氣浮法:氣浮法是利用水中通入的空氣或其它氣體產生的微氣泡作為載體,粘附廢水中的細小懸浮油珠或其它懸浮物,使其密度小于水而上浮到水面形成浮渣,以實現固液分離。...
-
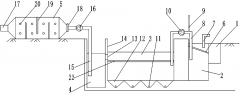
污水污泥濃縮池詳細介紹(圖文) 2018-04-02 [污水處理] 熱度:832

今天為廣大朋友介紹的是污水污泥濃縮池 污水污泥濃縮池,包括污水池和污泥池,所述污水池和污泥池之間設置有透明管段,所述污泥池一側壁上端設置有多個閥門,所述閥門通過管線與污水池連接,所述污水池上方地面上設...
-
印染廢水回用處理工藝詳細介紹(圖文) 2018-04-02 [污水處理] 熱度:165

今天為廣大朋友介紹的是印染廢水回用處理工藝 一,引言 紡織印染行業廢水具有排放量大、水質變化大、有機物濃度高、色度高等特點,其處理相對復雜.近年來,由于水資源的緊缺,眾多環保學者在印染廢水回用領域進行了...
-
焦化廢水處理方法的詳情介紹(圖) 2018-04-02 [污水處理] 熱度:301

焦化廢水處理方法有以下幾種: (1)活性污泥法:活性污泥法處理焦化含酚廢水的流程是:廢水先經預處理即除油、調均、降溫后,進入曝氣池,曝氣后進入二次沉淀池進行固液分離,處理后廢水含酚質量濃度可降至0.5mg/L左右,...
-
磷化廢水處理工藝詳細介紹(圖文) 2018-04-02 [污水處理] 熱度:402

今天為廣大朋友介紹的是磷化廢水處理工藝 磷化廢水處理工藝,所述處理工藝包括向磷化廢水中加入氫氧化鈣懸濁液,攪拌均勻后加入混凝劑與復合生物質炭,實時監測出水處pH值;沉淀打入污泥槽,清液與工業廢酸混合二次沉...
-
酸洗磷化污水設備及方法詳細介紹(圖) 2018-04-02 [污水處理] 熱度:253

今天為廣大朋友介紹的是酸洗磷化污水設備及方法 生物反應處理酸洗磷化污水設備及其工作方法,由廢液混合池、混合液泵進系統、反應堆水池、生物劑添加系統、加壓過濾池、反應廢液泵進系統、污泥脫水池、污泥泵進系統...
-
焦化廢水生成機制的詳情介紹(圖) 2018-04-02 [污水處理] 熱度:347

今天為廣大朋友介紹的是 焦化廢水生成機制 1、廢水水質特征與分析:焦化廢水污染成分復雜,污染物濃度變化范圍大.以常規的污染物性質和污染物成分進行分類不能全面地反映水質結構特征,也不能為處理工藝的選擇提供科...
-
焦化廢水污染控制新原理與應用的詳情介紹(圖) 2018-04-02 [污水處理] 熱度:273

今天為廣大朋友介紹的是 焦化廢水污染控制新原理與應用 (1)化學轉化:由于煤化工焦化廢水的復雜性,處理工藝的選擇與耦合路線必須立足于對不同水質的分析與判斷.針對生物過程難降解的典型污染物需要考慮化學的轉化工...
-
污染河水處理方法詳細介紹(圖文) 2018-04-02 [污水處理] 熱度:344

今天為廣大朋友介紹的是 污染河水處理方法 近年來,國內外開始廣泛關注由工業、農業、市政等污廢水排放所造成的城市地表水富營養化問題〔1〕。雖然多種污水處理技術可以用來修復污染河流,但作為一種環境友好、資源...
-
應用于污泥烘干中回轉式烘干機烘干方法介紹(圖) 2018-04-02 [污水處理] 熱度:236

今天為廣大朋友介紹的是 應用于污泥烘干中回轉式烘干機烘干方法 污泥干燥技術的完善與革新,直接推動了污泥處置手段的發展,拓展了污泥處置手段的選擇范圍,使之在安全性、可靠性、可持續性等方面得到越來越可靠的保...
-
循環冷卻水旁流水處理系統方法詳細介紹(圖) 2018-04-02 [污水處理] 熱度:398

今天為廣大朋友介紹的是 循環冷卻水旁流水處理系統方法 循環冷卻水旁流水處理系統及旁流水處理方法,該旁流水處理系統包括旁流取水單元;與旁流取水單元連接的電化學水處理裝置,電化學水處理裝置中包括反應室;反應室...
-
污水處理方法和技術詳細介紹(圖文) 2018-04-02 [污水處理] 熱度:323

今天為廣大朋友介紹的是污水處理方法和技術 污水處理的方法和裝置。所述方法,其包括如下步驟:步驟A:對所述污水進行厭氧生物處理,得到污水混合液;步驟B:利用驅動液通過正滲透作用將所述污水混合液中的水滲透到所...
-
小型智能污水處理技術詳細介紹(圖) 2018-04-02 [污水處理] 熱度:319

今天為廣大朋友介紹的是小型智能污水處理技術 小型智能污水處理裝置,包括污水處理殼體,所述污水處理殼體頂部中間部位開有污水進水口,所述污水進水口上固定安裝有進水漏斗,所述污水處理殼體內部設有污水處理核心...
-
膜技術是廢水處理重要技術的詳情介紹(圖) 2018-04-02 [污水處理] 熱度:318

今天為廣大朋友介紹的是 膜技術是廢水處理重要技術 隨著工業文明的不斷發展,人類物質生活水平的迅速提高,人類環境也越來越備受關注。其中,污水處理已成為人類凈化和美好環境的重要內容。據統計,我國廢水、污水排...
-
建筑用污水處理技術詳細介紹(圖) 2018-04-02 [污水處理] 熱度:316

今天為廣大朋友介紹的是建筑用污水處理技術 建筑用污水處理裝置,包括砂石池、過濾池、沉淀池、溢流池和消毒箱,所述砂石池、過濾池、沉淀池和溢流池依次連續布置,過濾池內設有用于導入污水的進水管,過濾池內安裝...
- 首頁
- 上一頁
- 506
- 507
- 508
- 509
- 510
- 511
- 512
- 513
- 514
- 515
- 516
- 下一頁
- 末頁
- 共 644頁9646條
服務地區:北京;天津;上海;重慶;河北;河南;云南;遼寧;黑龍江;湖南;安徽;山東;江蘇;浙江;江西;湖北;廣西;甘肅;山西;陜西;吉林;福建;貴州;廣東;青海;四川;寧夏;海南
服務地區:哈爾濱;長春;沈陽;南京;濟南;合肥;石家莊;鄭州;武漢;長沙;南昌;西安;太原;成都;西寧;海口;廣州;貴陽;杭州;福州;臺北;蘭州;昆明;銀川;烏魯木齊;拉薩;南寧
補充分類:電廠;工業;游泳池;系統;工程;工程師;藥劑;過濾器;絮凝劑;公司;廠家;生產廠家;