歡迎訪問北京中天恒遠環保設備有限公司官網!
咨詢熱線:010-8022-5898 手機:18610094262
-
醫院污水處理具體流程和工藝解析(圖文) 2018-01-20 [行業資訊] 熱度:574

醫院污水處理工藝主要是根據醫院的性質,醫院的大小規模,和當地實際情況的處理要求,進行選則的,主要有以下總結。 一、我國醫院污水處理現狀 近年來,隨著醫院污水排放標準的提高,全國部分城市致力于優選較好的污...
-
膜生物反應器分類介紹(圖文) 2018-01-20 [行業資訊] 熱度:264

目前開發出來的膜生物反應器可以分為三類: 膜分離生物反應器(Membrane separation bioreactor);膜分離生物反應器用于污水處理中的固液分離。 膜曝氣生物反應器(Membrane aeration bioreactor)膜曝氣生物反應器中膜...
-
二甲基亞砜廢水處理方法介紹(圖文) 2018-01-20 [行業資訊] 熱度:607

某企業排放的生產廢水中主要特征污染物為二甲基亞砜(DMSO),廢水的可生化性較差(BOD5/COD=0.02),用常規生物法難以直接處理。DMSO廢水的處理方法主要有化學氧化法和生化法。化學氧化法處理成本較高。生化法中,高效...
-
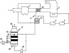
火電廠廢水低溫余熱濃縮系統介紹(圖文) 2018-01-20 [行業資訊] 熱度:437

申請日2016.10.21 公開(公告)日2017.05.03 IPC分類號C02F1/16 摘要 本實用新型屬于火電廠廢水處理技術領域,具體涉及一種火電廠廢水低溫余熱濃縮系統。系統包括除塵器、脫硫吸收塔、廢水收集箱、預處理裝置、廢水預...
-
鉆井廢水處理技術介紹(圖文) 2018-01-20 [行業資訊] 熱度:213

鉆井廢水的組成 廢棄泥漿;起、下鉆作業時泥漿的流失及帶出的巖屑;地面設備及鉆井工具的沖洗水;井場生活污水等。 鉆進廢水的特點 鉆井廢水具有點多、面廣、污染物種類復雜、間歇性排放及不可控排放等特點,成為石油行...
-
撫州市廣昌工業園區污水處理廠(圖文) 2018-01-20 [行業資訊] 熱度:375

撫州市廣昌工業園區污水處理廠于2016年建設,江西撫州市廣昌工業園區污水處理廠采用較為先進的污水處理工藝混凝氣浮+水解酸化+A2O處理工藝, 其設計規模為2萬立方米/日, 先期日處理規模達到.5萬立方米/日,由上海市...
-
安義縣工業園區污水處理廠(圖文) 2018-01-20 [行業資訊] 熱度:344

安義縣工業園區污水處理廠于2014年建設,江西安義縣工業園區污水處理廠采用較為先進的污水處理工藝, 其設計規模為2萬立方米/日, 先期日處理規模達到2萬立方米/日,江西安義工業園區污水處理設施建設地點:南昌市安...
-
丙烯腈生產廢水處理(圖文) 2018-01-20 [行業資訊] 熱度:373

丙烯腈(AN)是一種重要的化工原料,廣泛應用于合成纖維、合成樹脂及合成橡膠等領域。2010 年我國丙烯腈的總產量達到約109 萬t,比2009 年增長約11.8%〔1〕。丙烯腈生產過程中會排放大量廢水,廢水中主要含有丙烯腈、...
-
北京發布十三五重大項目情況,正建10個水項目13個固廢工程(圖文 2018-01-19 [行業資訊] 熱度:389

2017年1月11日,北京市人民政府新聞辦公室聯合市住房城鄉建設委、市重大辦召開北京市實施十三五規劃開局之年工作成果系列新聞發布會之北京市重大項目建設情況新聞發布會。市住房城鄉建設委副主任、新聞發言人王承軍...
-
2014年安恒集團獲得SEI頒發的CMMI 3級認證(圖文) 2018-01-19 [行業資訊] 熱度:322

11月11日消息,近日,安恒集團獲得由卡內基-梅龍軟件工程研究所(Carnegie MellonSoftware Engineering Institute (SEI))授予的軟件能力成熟度(即:CMMI)3級評價證書,這標志著安恒集團既有的整體研發管理與組織能力...
-
環北京地區的污染有多嚴重 從李干杰部長重回環保部說起 2018-01-19 [行業資訊] 熱度:295

兩則新聞說起,一是環保部部長陳吉寧履新北京代市長、原環保部副部長李干杰調任河北省省委副書記僅8個月后重新入主環保部,根據小編101的觀點,李干杰部長在后續環保工作中要配合陳吉寧市長,打出環保組合拳的中央構...
-
產業觀察:開啟高端制造 環保設備企業轉型一體化服務平臺 2018-01-19 [行業資訊] 熱度:175

導語:隨著《中國制造2025》的發布,智能制造、智能感知和精確控制產業逐漸受到產業和社會的重視,在環保領域,大力發展高端裝備制造是提升環境保護效率的關鍵手段。本篇中,和君對A股18家環保設備行業上市公司進行了...
-
為您詳解自來水的制作工序和成本構成(圖文) 2018-01-19 [行業資訊] 熱度:616

我們家里一打開水龍頭,清澈的自來水就嘩嘩嘩地流了出來。那么,我們每天常用的自來水是怎么來的呢? 從水源地變成達標水,自來水一般要經過6道工序 自來水是指通過自來水處理廠凈化、消毒后生產出來的符合相應標準的...
-
回顧2006年嚴愷院士遺體告別儀式在南京舉行 2018-01-19 [行業資訊] 熱度:696

胡錦濤、溫家寶、曾慶紅等黨和國家領導人表示哀悼并送花圈 5月13日上午,南京石子崗殯儀館告別大廳及廣場花圈似海,挽聯如潮,來自河海大學、南京水利科學研究院以及全國各有關單位的1300余人站滿了大廳、站滿了廣...
-
大桶桶裝水質檢不合格 問題到底出在那里? 2018-01-19 [行業資訊] 熱度:304

大桶裝飲用水不合格項目主要有:菌落總數超標,電導率超標,個別產品亞硝酸鹽超標。 菌落總數是衡量污染程度的一個指標,飲用菌落總數超標的水,可能引起消化道感染等疾病;電導率代表的是純凈水的純凈程度,電導率如...
- 首頁
- 上一頁
- 451
- 452
- 453
- 454
- 455
- 456
- 457
- 458
- 459
- 460
- 461
- 下一頁
- 末頁
- 共 514頁7703條
服務地區:北京;天津;上海;重慶;河北;河南;云南;遼寧;黑龍江;湖南;安徽;山東;江蘇;浙江;江西;湖北;廣西;甘肅;山西;陜西;吉林;福建;貴州;廣東;青海;四川;寧夏;海南
服務地區:哈爾濱;長春;沈陽;南京;濟南;合肥;石家莊;鄭州;武漢;長沙;南昌;西安;太原;成都;西寧;海口;廣州;貴陽;杭州;福州;臺北;蘭州;昆明;銀川;烏魯木齊;拉薩;南寧
補充分類:電廠;工業;游泳池;系統;工程;工程師;藥劑;過濾器;絮凝劑;公司;廠家;生產廠家;